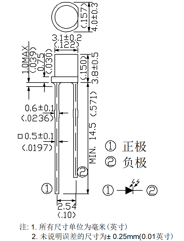
光敏二极管PD3060BP

更新:2023/4/18 15:41:50   
产品介绍
更多产品