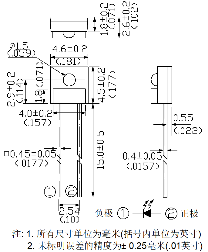
940nm发射管SIR4045

更新:2023/10/28 10:43:31   
产品介绍
更多产品