网站首页
关于公司
公司产品
技术支持
新闻动态
案例展示
人才招聘
联系我们
公司产品
光敏二极管
光敏三极管
红外接收头
光电开关
红外发射管
3mm红外发射管
5mm红外发射管
SMD红外发射管
侧面红外发射管
其他红外发射管
环境光传感器
发光LED
光电传感器
集成电路
你的位置:
首页
>
公司产品
>
光敏三极管
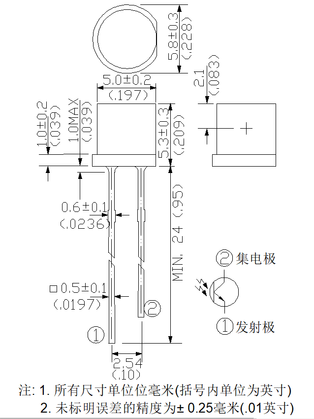
光敏三极管SGPT5053B
更新:2022/4/15 18:32:35 点击:
型号:
SGPT5053B
规格书(中文):
SGPT5053B_CN.PDF
规格书(英文):
SGPT5053B.PDF
产品介绍
首页
电话
邮件
产品
留言