Introduction
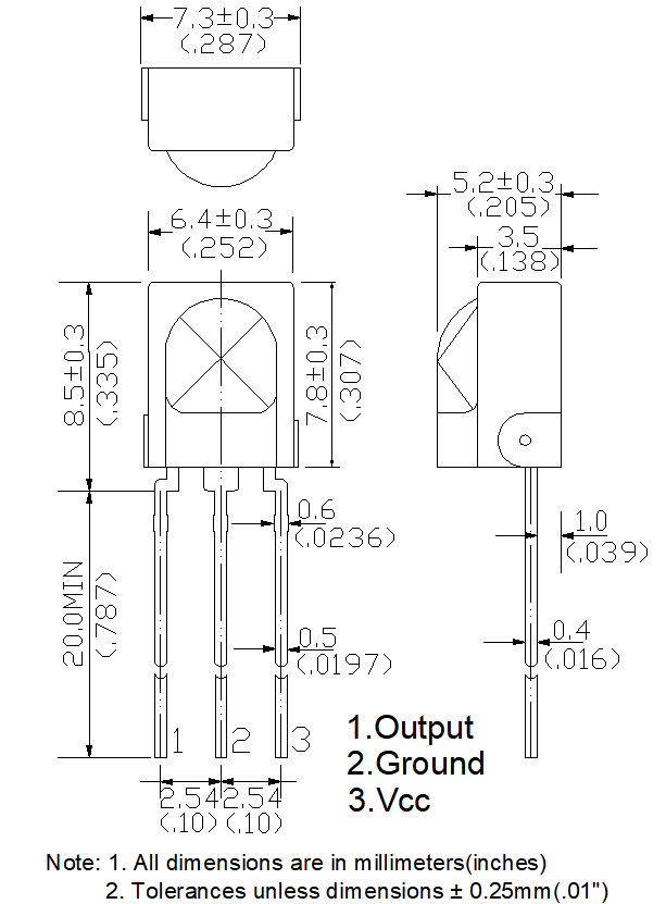
Part No.:SGR1838C
Features:High sensitivity, Reception Distance:15---20 m
More Products
Add: Floor 5,Building 2,Hehe Science and Technology Park,Guanhu street,Longhua District,Shenzhen City,P.R.C
Tel: +86-755-27708182
Website: http://www.szsgir.com
Email: shuguan@szsgir.com
Part No.:SGR1838C
Features:High sensitivity, Reception Distance:15---20 m