Introduction
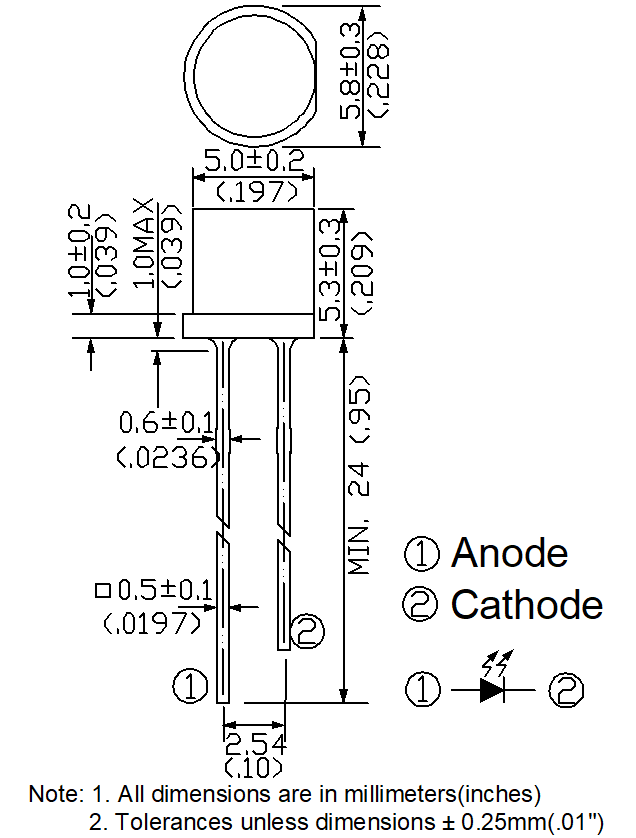
5mm Flat Lens Infrared LED
Wavelength: 940nm
More Products
Add: Floor 5,Building 2,Hehe Science and Technology Park,Guanhu street,Longhua District,Shenzhen City,P.R.C
Tel: +86-755-27708182
Website: http://www.szsgir.com
Email: shuguan@szsgir.com
5mm Flat Lens Infrared LED
Wavelength: 940nm