Contact Us   
Your Position: Home > Product > Photo diode

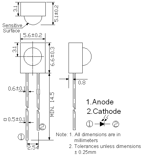
Photodiode PD510C

Update: 2018/2/8      View:
  • Brand:    SHUGUAN
  • Type:    PD510C
  • Data Sheet:   PD510C.PDF
Introduction
More Products